Industrie
Attrezzature per la ventilazione ed elettrodomestici
• Attrezzature per la ventilazione
-Ventilatori a flusso assiale
-Ventilatori centrifughi
-Ventilatori da tetto
• Elettrodomestici:
-Lavatrici
-Purificatori d'aria
-Ventole di raffreddamento
-Frigoriferi
Prodotti correlati
×
| Specifiche elettriche | |||||||||||||||||||||||||
| Massimo. p (W) | Voltaggio (V) | Massimo. ioo. (A) | KV | Corrente a vuoto (A) | Resistenza (mΩ) | Poli | Dim. motore (mm) | Statore Dim. (mm) | Montaggio (mm) | NW (g) | Prop. (pollici) | ||||||||||||||
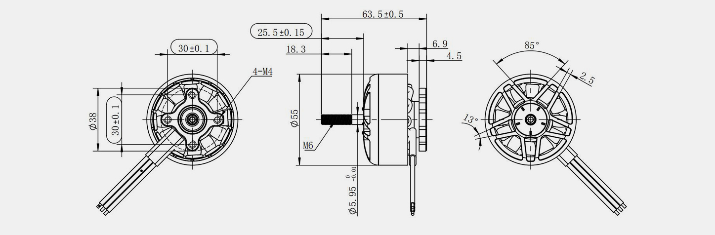
| 1052 | 25~33.6 | 45 | 350 | 1.5 | 45 | 14 | φ55*38 | φ47*15 | M3-30*30 | 277 | 13" | ||||||||||||||
| Dati dei test di spinta | |||||||||||||||||||||||||
| Elica | Valore kV | Acceleratore (%) | U (V) | I (A) | N (giri/min) | Broncio (W) | Perno (W) | Efficienza (G/W) | |||||||||||||||||
| GF1310*3 | 350kV | 30 | 25.13 | 0.304 | 1737.5 | 285 | 7.6 | 4.959 | |||||||||||||||||
| 35 | 25.1 | 1.128 | 2188.7 | 346.9 | 28.3 | 4.644 | |||||||||||||||||||
| 40 | 25.07 | 2.15 | 2586.8 | 395.4 | 53.9 | 4.6 | |||||||||||||||||||
| 45 | 25.01 | 3.905 | 3072.1 | 444.1 | 97.7 | 4.814 | |||||||||||||||||||
| 50 | 24.96 | 5.722 | 3427.8 | 469.5 | 142.8 | 5.128 | |||||||||||||||||||
| 55 | 24.9 | 7.707 | 3734.9 | 484.3 | 191.9 | 5.495 | |||||||||||||||||||
| 60 | 24.82 | 10.228 | 4070.8 | 494.1 | 253.9 | 5.973 | |||||||||||||||||||
| 65 | 24.7 | 13.866 | 4458 | 491.4 | 342.5 | 6.798 | |||||||||||||||||||
| 70 | 24.59 | 17.485 | 4785.6 | 481.2 | 429.9 | 7.62 | |||||||||||||||||||
| 75 | 24.45 | 21.663 | 5093.5 | 460.1 | 529.7 | 8.72 | |||||||||||||||||||
| 80 | 24.3 | 26.413 | 5384.7 | 428.8 | 641.8 | 10.186 | |||||||||||||||||||
| 85 | 24.13 | 31.418 | 5661.1 | 393.6 | 758.3 | 11.977 | |||||||||||||||||||
| 90 | 23.96 | 36.765 | 5909.1 | 352.2 | 880.9 | 14.277 | |||||||||||||||||||
| 95 | 23.75 | 42.922 | 6131.1 | 300.8 | 1019.5 | 17.8 | |||||||||||||||||||
| 100 | 23.7 | 44.411 | 6217.5 | 292.6 | 1052.3 | 18.591 | |||||||||||||||||||
Motori per droni 6S 320kV 350kV 380kV LN4715 Forza di spinta da 1,5 kg
×
Purificatore d'aria 24VDC 40W Motore del ventilatore Motore del ventilatore da soffitto serie wo60
Caratteristiche del prodotto:
Compatibile con purificatori d'aria e ventilatori a soffitto
Basso consumo energetico
Funzionamento silenzioso per un disturbo acustico minimo
Design del motore affidabile ed efficiente
Purificatore d'aria 24VDC 40W Motore del ventilatore Motore del ventilatore da soffitto serie wo60
×
Doppia tensione 230 V CA/12 V CC in un unico azionamento per il sistema di alimentazione a pannelli solari per aree remote Serie W70 con guscio in metallo
Caratteristiche del prodotto:
Supporto a doppia tensione per fonti di alimentazione flessibili
Progettato con un guscio in metallo resistente per una maggiore protezione
Ideale per impianti ad energia solare
Prestazioni affidabili in aree remote
Doppia tensione 230 V CA/12 V CC in un unico azionamento per il sistema di alimentazione a pannelli solari per aree remote Serie W70 con guscio in metallo
